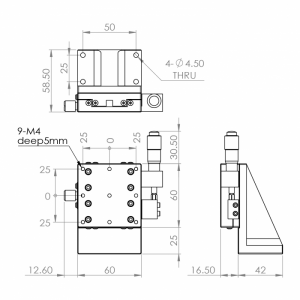
Z軸升降台

60mm垂直式升降台

垂直升降,防墜設計
材質:鋁合金黑色陽極處理
檯面尺寸:60x60mm
行程:13mm
驅動方式:分厘卡頭
讀取精度:0.01mm
偏移量:10µm
荷重:3kgf
重量:0.24kg

選配:-P:高精度分厘卡頭(0.25mm per round)

型號:
STV60AC 分厘卡頭位在中心
STV60AL 分厘卡頭位在左側
STV60AR 分厘卡頭位在右側