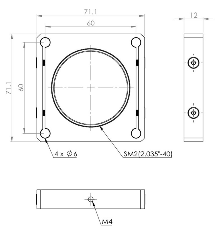
60mm籠式系統機構

60mm 撓性鎖緊型SM2螺紋籠板

產品說明
  • 撓性鎖緊的固定方式,增加與籠桿的接觸表面積;
  • 直接在60mm籠式系統裝配中安裝光學組件;
  • 帶有SM2(2.035"-40)的螺紋孔,可以安裝直徑2英吋的光學元件或是搭配SM2系列鏡筒機構;
  • 附帶SM2的O型環固定鏡片;
  • 底部M4螺紋孔安裝支撐桿;
  • 經過黑色陽極處理的鋁合金質材料,避免光的散射;
 
型號 安裝孔螺紋 厚度
CG60B-PSF2 SM2 12 mm