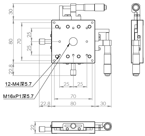
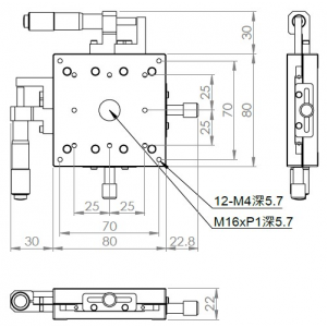
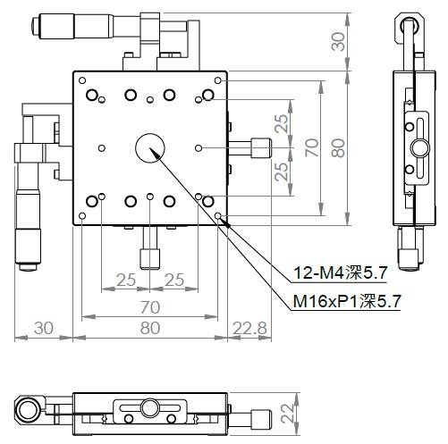
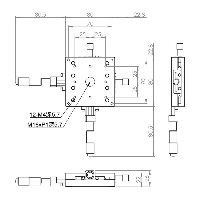
超薄XY軸一體型設計 材質:鋁合金黑色陽極處理 檯面尺寸:80 x 80 mm 厚度:22 mm 行程:25 mm 驅動方式:分厘卡頭 讀取精度:0.01mm 平行度:0.06mm 荷重:4 kgf 重量:0.61 kg 型號: ST280ACU 分厘卡頭位在中心 ST280ALU 分厘卡頭位在左側 ST280ARU 分厘卡頭位在右側