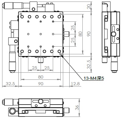
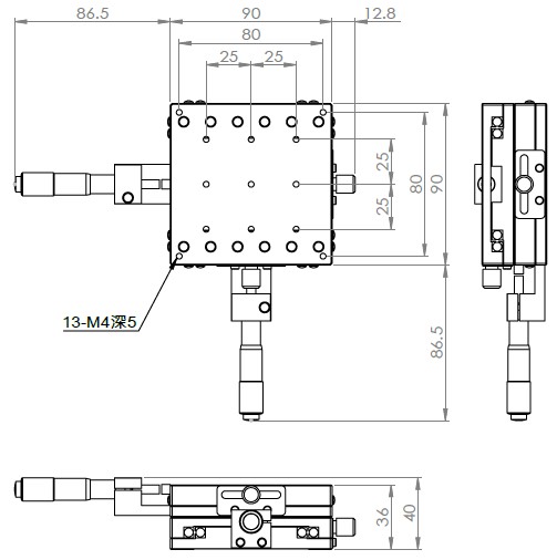
材質:鋁合金黑色陽極處理 檯面尺寸:90 x 90 mm 厚度:36 mm 行程:25 mm 驅動方式:分厘卡頭 讀取精度:0.01mm 平行度:0.06mm 荷重:9.5 kgf 重量:0.94 kg 型號: ST290AC 分厘卡頭位在中心 ST290AL 分厘卡頭位在左側 ST290AR 分厘卡頭位在右側