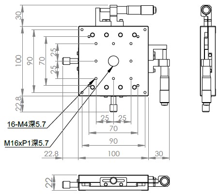
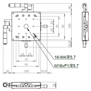
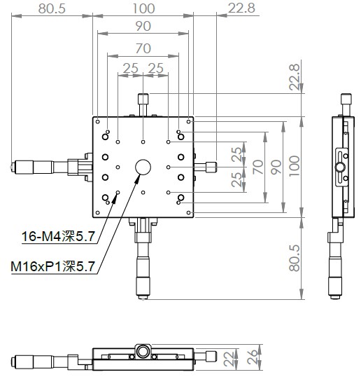
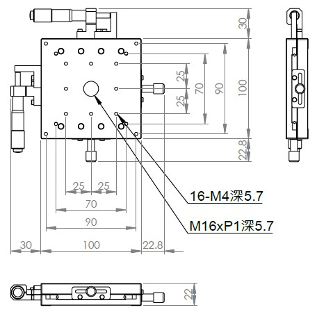
XY軸線性平移台

超薄型100mm交叉滾子XY手動平移台

超薄XY軸一體型設計
材質:鋁合金黑色陽極處理
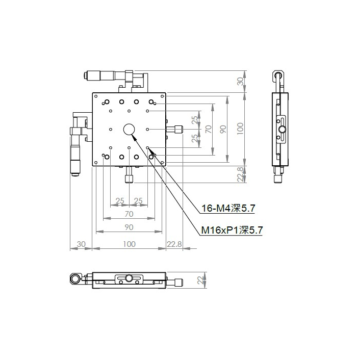
檯面尺寸:100 x 100 mm
厚度:22 mm
行程:25 mm
驅動方式:分厘卡頭
讀取精度:0.01mm
平行度:0.06mm
荷重:4 kgf
重量:0.96 kg

型號:
ST2100ACU 分厘卡頭位在中心
ST2100ALU 分厘卡頭位在左側
ST2100ARU 分厘卡頭位在右側